إن قاطع دائرة القشرة البلاستيكية من سلسلة DZ20 (المشار إليها فيما يلي باسم قاطع الدائرة) مناسب لخطوط التوزيع مع AC 50Hz ، التيار الذي يصل إلى 1250A ، الجهد العزل المقدر من 660 فولت ، الجهد العمل المقنن من 380 فولت (400 فولت) وأقل ، كحمل القضاء ، تحت الجهد حماية الطاقة الكهربائية ، خطوط خطوط. من بينها ، يمكن أيضًا استخدام قواطع الدائرة Y و J و G و G مع التيار المقنن من 225A و Y Type 400a لحماية المحركات. في ظل الظروف العادية ، يمكن استخدام قاطع الدائرة للتبديل النادر للخطوط والبدء النادر للمحركات.
يلبي المنتج المعايير التالية: JB8589 、 GB14048.2 、 IEC947-2.
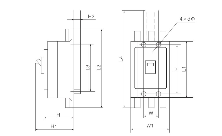
تعتمد هذه السلسلة من قواطع الدوائر على المنتج على شكل Y وتتكون من أربعة أجزاء: قذيفة العزل ، وآلية التشغيل ، ونظام الاتصال ، وجهاز الإصدار.
تتميز آلية التشغيل بقطر القاطع الدائرة بوظيفة إغلاق جهات الاتصال وفردها بسرعة ، و "إغلاق" ، "فتح" ، و "موضع المقبض يميز مواضع" التعثر المجاني ".
يتم اشتقاق وتصميم قواطع الدائرة من النوع C و J- من النوع Y-type. تعمل قواطع الدائرة من النوع J على تحسين بنية جهات اتصال قواطع الدائرة من النوع Y بحيث في حالة حدوث دائرة قصيرة ، يمكن أن تنفصل الاتصالات الديناميكية والثابتة بسرعة قبل تنشيط الآلية ، وتحقيق هدف تحسين سعة الانهيار.




